5 IN. Divider Clear 36 IN. Long
In stock
SKU
0592-0360-00-0
$282.48
Per Case of 40 (36" lengths)
- Buy 8 for $225.72 each and save 20%
- Buy 14 for $215.16 each and save 24%
- Buy 16 for $204.60 each and save 28%
- Buy 24 for $196.68 each and save 30%
- Buy 36 for $188.76 each and save 33%
5 IN. Divider Clear 36 IN. Long
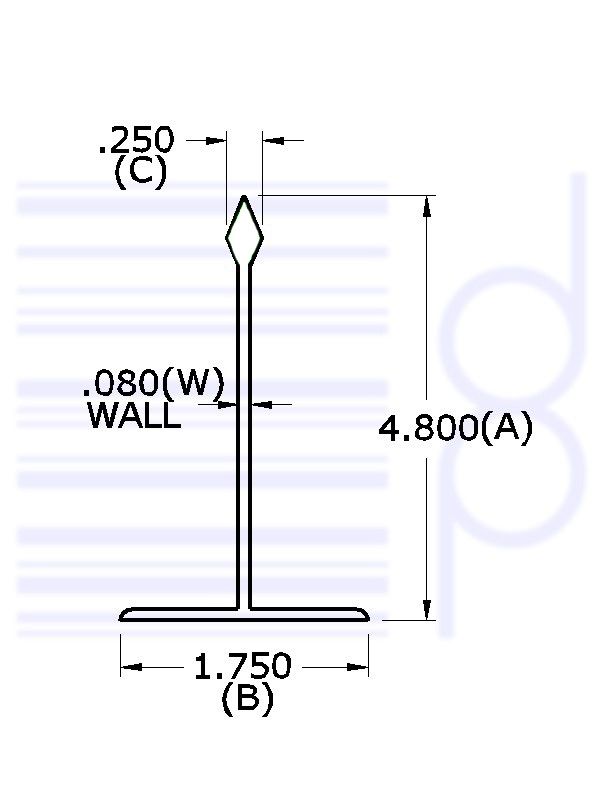
| Part Number | 592 |
|---|---|
| Color | Clear |
| Material | Impact Modified Acrylic (Clear UV) |
| Length (in) | 36 |
| Cut Length (In.) | 36 |
| Inches | Inches (dec) | Millimeters | |
| A | 4 13/16 | 4.8 | 121.9202 |
| B | 1 3/4 | 1.75 | 44.4501 |
| C | 1/4 | 0.25 | 6.35 |
| W | 1/16 | 0.08 | 2.032 |
| * fractions rounded to nearest 1/16" | |||




Please complete your information below to login.
Sign In
Create New Account